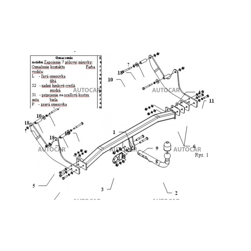
Cârlig de remorcare tip demontabil cu clemă pentru autoturism DACIA - typ: MCV, seria : Combi. Anul de fabricaţie a autoturismului: din 2013/-
|
|
295.90 EUR x 4 months |
Accesorii pentru carligul de remorcare
Sistemul Automat de la firma AUTO-HAK vă garantează demontarea și cuplarea rapidă și simplă a dispozitivului de remorcare, fără utilizarea cheilor.
Această variantă a cârligelelor de remorcare demontabile, dar mai accesibile ca preț, este o variantă ideală, în cazul în care cârligul de remorcare semidemontabil nu vă convine, fie că bila cârligului acoperă numărul de înmatriculare sau din punct de vedere estetic. În schimb, un sistem demontabil vertical vă poate părea inutil sau poate prea scump.
După demontarea cârligului de remorcare (bilei), va rămâne vizibil sub bara de protecție corpul prinderii bilei, ceea ce poate reduce garda de la sol a mașinii (în funcție de bara de protecție a vehiculului).