- -5%
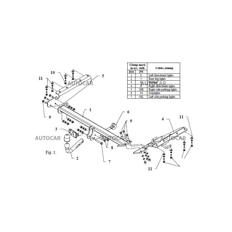
Cârlig de remorcare semidemontabil cu șuruburi pentru autoturism HONDA - typ: CR-V, seria : 5 uşi. Anul de fabricaţie a autoturismului: din 11.2012/-.
|
|
189.13 EUR x 4 months |
Accesorii pentru carligul de remorcare
Datorită combinației de calitate și preț excelente, cârligelele de remorcare de la compania AUTO-HAK sunt cele mai vândute produse de pe piața din România.
Cârligul de remorcare semidemontabil cu șurub este fixat cu două șuruburi pe corpul cârligului de remorcare, iar principalul său bonus este un preț avantajos.
În România este posibil să montaţi un cârlig de remorcare cu șurub, numai dacă cârligul (bilă) nu interferează cu numărul de înmatriculare al vehiculului. Cârligul (bila) poate afecta funcționarea senzorilor de parcare. Dacă cârligul (bila) se află în zona de detectare a senzorilor, poate fi recunoscută ca un obstacol la mersul înapoi(maşalier). Dacă vehiculul este echipat cu senzori de parcare, vă recomandăm să montați un cârlig de remorcare demontabil.